伺服控制部分
韩国技术,中国制造

| AF 注塑机参数对照表 | 9196/1300 | ||||
| 技术参数 | Description | 单 位 | AF1300 | ||
| Injection unit | 射胶系统 | Unit | A | B | C |
| 理论注射容积 | Shot Volume | cm3 | 4979 | 5972 | 7632 |
| 实际注射量(ps) | Shot Weight(ps) | g | 4581 | 5495 | 7022 |
| 实际注射量(ps) | Shot Weight(ps) | Oz(盅司) | 162 | 193 | 247 |
| 螺杆直径 | Screw Diameter | mm | 105 | 115 | 130 |
| 注射压力 | Injection Pressure | Mpa | 185 | 154 | 121 |
| 理论注射速率 | Injection Rate | g/sec | 996 | 1195 | 1528 |
| 螺杆长杆比 | Screw L/D Ratio | 24 | 22 | 19.5 | |
| 螺杆行程 | Screw Stroke | mm | 575 | ||
| 螺杆转速 | Screw Speed(stepless) | Rpm | 0~90 | ||
| CLAMPING UNIT 锁模系统 | |||||
| 锁模力 | Clamping Force | ton | 1300 | ||
| 开模行程 | Opening Stroke | mm | 1300 | ||
| 模板尺寸 | Platen Size | mmxmm | 1870X1870 | ||
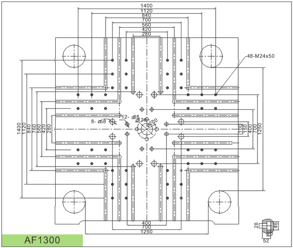
| 拉杆间距 | Space Between Tie Bars | mmxmm | 1250X1250 | ||
| 模板最大距离 | Max. Daylight | mm | 2550 | ||
| 容模量(最薄-最厚) | Mold Thickness(min.-max.) | mm | 600-1250 | ||
| 顶出行程 | Hydraulic Ejection Stroke | mm | 380 | ||
| 顶出力 | Hydraulic Ejection Force | ton | 30 | ||
| 顶针数 | Ejector Pin | Unit | 21 | ||
| POWER UNIT 电力/电热 | |||||
| 最大油泵压力 | Max Pump Pressure | Mpa | 17.5 | ||
| 油泵电机 | Pump Motor | Kw | 37+37+37 | ||
| 电热量 | Heating Capacity | Kw | 71 | ||
| 温度控制区数 | Number of Temp Control Zones | Unit | 8 | ||
| GENERAL UNIT 其他 | |||||
| 油箱容积 | Oil Tank Capacity | L | 2200 | ||
| 外形尺寸(LxWxH) | Machine Dimensions | mxmxm | 13.1X2.7X3.0 | ||
| 理论机重 | Machine Weight | ton | 65 | ||
